Bu lông tự đứt là gì

Bu lông tự đứt S10T
Để hiểu rõ hơn về Bu lông tự đứt xin mời các bạn cùng tìm hiểu thêm về cấu tạo và nguyên lý làm việc của loại bu lông đặc biệt này.
Cấu tạo, nguyên lý làm việc của Bu lông tự đứt 10T/F10T
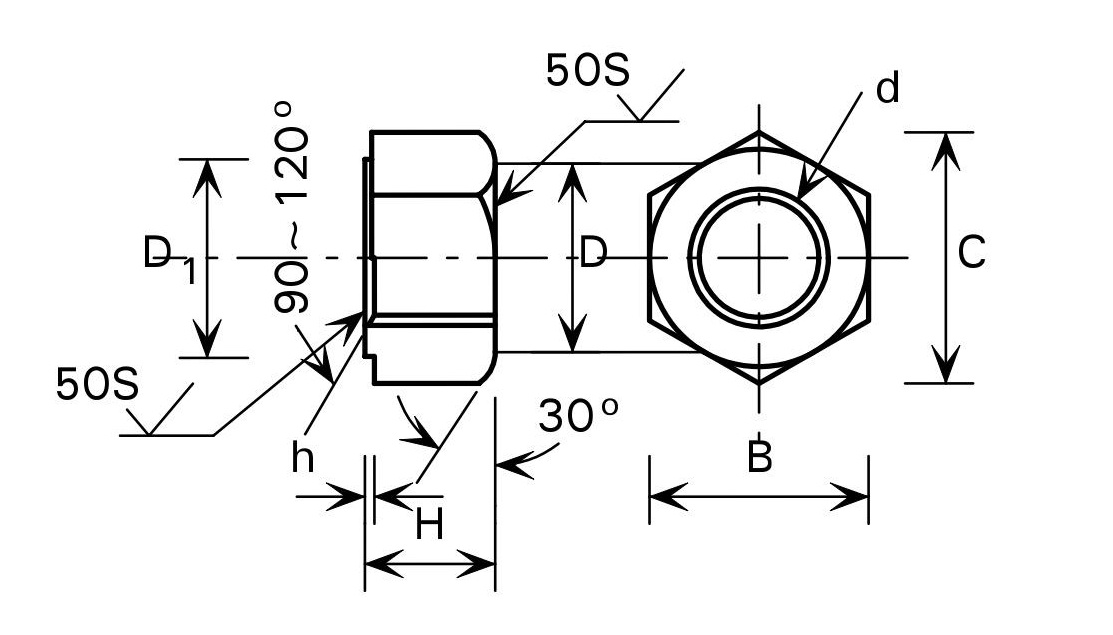
Cấu tạo bu lông tự đứt S10T
Bu lông tự đứt S10T/F10T là một loại bu lông cường độ cao được thiết kế đặc biệt nhằm đảm bảo lực siết tiêu chuẩn thông qua cơ chế “tự đứt” tại phần đuôi bu lông. Cấu tạo của loại bu lông này bao gồm ba phần chính gồm:
Đầu bu lông: Phần đầu bu lông là nơi tiếp xúc trực tiếp với thiết bị lắp đặt. Với dòng bu lông S10T, đầu thường có hình tròn và được thiết kế trơn để chỉ có thể sử dụng bằng máy siết chuyên dụng. Ngược lại, bu lông tự đứt dòng F10T lại có đầu dạng lục giác, cho phép sử dụng các công cụ thông dụng hơn như cờ-lê hoặc súng siết khí.
Thân bu lông: Thân bu lông là phần chịu lực chính của hệ thống liên kết. Nó bao gồm một đoạn có ren – thường là ren lửng – được gia công chính xác để đảm bảo khả năng liên kết chặt chẽ với đai ốc (ê cu). Vật liệu chế tạo thân bu lông thường là thép hợp kim cường độ cao, được xử lý nhiệt nhằm tăng độ bền kéo và khả năng chịu ứng suất nén.
Phần đuôi bu lông ( Phần tự đứt ): Điểm nổi bật của bu lông tự đứt chính là phần đuôi đặc biệt – nơi được thiết kế để tự tách ra khỏi thân bu lông sau khi lực siết đạt ngưỡng tối ưu. Cơ chế này giúp đảm bảo rằng lực căng trong mối ghép đã được thi công đạt yêu cầu kỹ thuật, loại bỏ nguy cơ siết quá tay hoặc chưa đủ lực.
Phụ kiện đi kèm: Đai ốc và vòng đệm: Không thể không nhắc đến hai phụ kiện thiết yếu trong hệ thống bu lông tự đứt, đó là đai ốc (ê cu) và vòng đệm phẳng (long đen). Đai ốc được thiết kế tương thích hoàn toàn với phần ren của thân bu lông, giúp tạo nên mối ghép chắc chắn. Trong khi đó, vòng đệm đóng vai trò phân bố đều lực siết, đồng thời bảo vệ bề mặt vật liệu khỏi bị hằn hoặc biến dạng trong quá trình thi công.

Cấu tạo bu lông tự đứt S10T/F10T
Nguyên lý làm việc của bu lông tự đứt S10T/F10T
Nguyên lý làm việc của bu lông tự đứt S10T/F0T (Nguồn: sưu tầm Youtube)
Quy trình lắp đặt Bu lông tự đứt S10T/F10T
Quy trình lắp đặt bu lông tự đứt S10T
Dưới đây là hướng dẫn chi tiết về quy trình lắp đặt bu lông tự đứt S10T/F10T theo chuẩn kỹ thuật hiện hành.
Bước 1: Lắp đặt bu lông vào kết cấu: Trước tiên, cần đưa bu lông tự đứt vào lỗ khoan sẵn trên bản mã hoặc chi tiết kết cấu. Tiếp theo, lắp long đen phẳng (vòng đệm) vào phần ren của bu lông nhằm phân tán lực siết đều trên bề mặt, tránh làm biến dạng bề mặt tiếp xúc. Sau đó, lắp đai ốc (ê cu) vào thân bu lông và vặn nhẹ bằng tay để cố định sơ bộ vị trí.
Bước 2: Đưa đầu siết của máy tiếp xúc hoàn toàn và vừa khít với phần đai ốc đã lắp. Việc đảm bảo sự ăn khớp giữa máy siết và đai ốc là điều kiện cần thiết để truyền mô-men xoắn hiệu quả trong quá trình siết chặt, đồng thời tránh tình trạng trượt hoặc phá ren.
Bước 3: Sau khi đảm bảo đầu máy siết đã vào đúng vị trí, bật công tắc máy để bắt đầu quá trình siết. Máy sẽ truyền mô-men xoắn vào đai ốc, khiến nó xoay và siết chặt dần vào ren của thân bu lông. Khi đạt đến giá trị lực siết thiết kế phần đuôi bu lông sẽ tự động bị nứt.
Bước 4: Sau khi đầu khía của bu lông bị cắt ra, tắt công tắc máy siết và rút máy ra khỏi đai ốc. Tiếp đó, kéo cần gạt ở đầu máy để đẩy phần bu lông bị đứt rời còn kẹt trong đầu máy ra ngoài, đảm bảo máy sẵn sàng cho lần sử dụng tiếp theo.
Thông số kỹ thuật của bu lông tự đứt S10T/F10T
- Tiêu chuẩn: JSS II-09 (Tiêu chuẩn Nhật Bản)
- Đường kính thông dụng: M12, M14, M16, M18, M20, M22, M24, M27, M30
- Bước ren: Bước ren hệ mét: 1.75, 1.5, 2, 2.5, 3, 3.5
- Chiều dài thông dụng: 30mm-200mm
- Cấp bền: Cấp bền 10.9
- Xử lý bề mặt: Nhuộm đen, mạ đen, mạ điện phân, mạ kẽm nhúng nóng, mạ (sơn) Dacromet, Mạ (sơn) Geomet.
- Tên tiếng anh: Tension Control Bolt (T.C Bolt)

Tiêu chuẩn sản xuất Bu lông tự đứt S10T
Tiêu chuẩn sản xuất thân bu lông S10T:


Tiêu chuẩn sản xuất bu lông tự đứt S10T
Tiêu chuẩn sản xuất Đai ốc S10T


Tiêu chuẩn sản xuất Đai ốc cho bu lông tự đút S10T
Tiêu chuẩn sản xuất long đen cho bu lông S10T:

Tiêu chuẩn sản xuất long đen cho bu lông tự đứt S10T
Cấp bền của bu lông tự đứt S10T/F10T

Cấp bền bu lông tự đứt S10T
So sánh cơ tính bu lông tự đứt S10T/F10T với một số loại bu lông tự đứt khác.
| Cấp bền | Giới hạn bền σb Mpa (kgf/mm2) | Giới hạn chảy σc Mpa (kgf/mm2) | Độ giãn dài (%) Min | Độ thắt tiết diện (%) Min | ||
| S8T / F8T | 800 – 1000 (81,6 – 102,0) | 640 min (65,3 min) | 16 | 45 | ||
| S10T / F10T | 1000 – 1200 (102,0 – 122,4) | 900 min (91,8 min) | 14 | 40 | ||
| S11T / F11T | 1100 – 1300 (112,2 – 132,6) | 950 min (96,9 min) | 14 | 40 | ||
So sánh cơ tính bu lông S10T
Ưu điểm của bu lông tự đứt
Bu lông tự đứt hay còn gọi là Tension Control Bolt (T.C Bolt) sở hữu nhiều ưu điểm vượt trội về mặt kỹ thuật lẫn hiệu quả thi công. Không chỉ đảm bảo độ liên kết chắc chắn và an toàn, loại bu lông này còn tối ưu hóa quy trình lắp đặt, giúp tiết kiệm đáng kể thời gian và chi phí cho các nhà thầu xây dựng và kỹ sư thi công.
Bu lông không bị bung
Một trong những điểm mạnh nổi bật của bu lông tự đứt chính là khả năng chống bung vượt trội. Nhờ cơ chế tự đứt phần đuôi sau khi đạt đến lực siết tiêu chuẩn, bu lông giúp duy trì lực căng chính xác và ổn định giữa các chi tiết liên kết. Điều này loại bỏ nguy cơ bu lông bị lỏng hoặc bung ra trong quá trình sử dụng lâu dài, đặc biệt là ở những công trình có rung động mạnh như cầu thép, nhà công nghiệp, kết cấu thép tầng cao. Đây là lý do vì sao bu lông tự đứt được xem là lựa chọn lý tưởng cho các vị trí yêu cầu liên kết cố định và độ tin cậy cao trong thời gian dài.

Độ bền cao, khả năng chịu lực lớn
Bu lông tự đứt được chế tạo từ vật liệu thép hợp kim chất lượng cao, thường đạt cấp bền 10.9, tương đương với giới hạn bền từ 1000 đến 1200 MPa (hoặc kgf/mm²). Với khả năng chịu lực vượt trội, loại bu lông này đáp ứng hoàn hảo các yêu cầu kỹ thuật trong thi công nhà thép tiền chế, hệ giàn không gian và các kết cấu chịu tải trọng lớn. Khả năng chịu lực này không chỉ giúp tăng tuổi thọ cho hệ kết cấu mà còn đảm bảo an toàn vận hành trong suốt vòng đời công trình.
Lắp đặt dễ dàng
So với các loại bu lông thông thường, bu lông tự đứt cho phép quá trình lắp đặt diễn ra nhanh chóng và chính xác hơn. Khi siết bu lông bằng súng siết chuyên dụng, phần đuôi bu lông sẽ tự động tách rời khi đạt đủ lực siết tiêu chuẩn, loại bỏ hoàn toàn các sai số do con người hoặc thiết bị gây ra. Điều này không những rút ngắn thời gian thi công mà còn giảm thiểu rủi ro kỹ thuật và đảm bảo tính đồng bộ của toàn bộ hệ kết cấu. Việc thi công đơn giản cũng giúp tăng hiệu suất lao động, đặc biệt phù hợp cho các dự án quy mô lớn.

Ứng dụng của bu lông tự đứt S10T/F10T
- Xây dựng và xây dựng công trình:
Trong ngành xây dựng và xây dựng công trình, bu lông tự đứt S10T được sử dụng rộng rãi để gắn kết các bộ phận chịu lực như cột, dầm, khung xương thép, các dầm I và cấu trúc công trình. Khi lắp đặt, bu lông S10T được sử dụng cùng với súng xiết chuyên dụng để đạt mức căng định mức. Sau khi bu lông đạt mức căng, phần đuôi trên thân bu lông tự động bị đứt đi, tạo ra một đầu bu lông còn lại, giữ cho các bộ phận nối với nhau một cách chắc chắn. Tính tự đứt của bu lông này giúp tránh việc gắn bu lông quá chặt và đảm bảo tính an toàn và ổn định cho công trình trong quá trình sử dụng và chịu tải trọng.
- Công nghiệp sản xuất:
Trong môi trường sản xuất và các nhà máy công nghiệp, bu lông tự đứt S10T được sử dụng để gắn kết các bộ phận, linh kiện, và thiết bị trong các dây chuyền sản xuất. Việc sử dụng bu lông S10T đảm bảo rằng các thành phần được gắn chặt và an toàn trong quá trình vận hành. Trong quá trình lắp đặt, phần đuôi trên thân bu lông bị đứt đi để đạt mức căng định mức, tạo thành một đầu bu lông còn lại. Tính tự đứt này đảm bảo sự chắc chắn và độ bền của các liên kết trong môi trường sản xuất có tính chất quan trọng và yêu cầu độ tin cậy cao.
- Giao thông vận tải:
Trong lĩnh vực giao thông vận tải, bu lông tự đứt S10T được sử dụng rộng rãi trong việc lắp đặt các loại cầu, đường, bến cảng

- Các ứng dụng đòi hỏi độ an toàn cao:
Bu lông tự đứt S10T cũng được sử dụng trong các ngành công nghiệp đòi hỏi độ an toàn cao như lĩnh vực dầu khí, hàng hải, hàng không, và các ngành công nghiệp ckhácn. Tính tự đứt của bu lông S10T giúp đảm bảo việc lắp đặt bu lông đạt đúng đặc điểm tự đứt và đảm bảo tính an toàn và hiệu quả trong quá trình sử dụng. Bu lông tự đứt này đáng tin cậy và đảm bảo các ứng dụng đòi hỏi độ bền và tính an toàn cao.
Bu lông tự đứt S10T/F10T có giá bao nhiêu
Giá thành của bu lông tự đứt không cố định mà phụ thuộc vào nhiều yếu tố kỹ thuật và thị trường. Hiện nay, mức giá tham khảo cho bu lông tự đứt S10T/F10T dao động từ 15.000 đồng đến 150.000 đồng mỗi chiếc, tùy theo thông số kỹ thuật, tiêu chuẩn, nguồn gốc và đơn vị cung cấp. Mức giá này chưa bao gồm VAT (thuế giá trị gia tăng) và có thể thay đổi theo biến động nguyên vật liệu hoặc số lượng đơn hàng.
Để nhận báo giá chính xác và cập nhật mới nhất theo từng loại sản phẩm, quý khách nên liên hệ trực tiếp với Bulong Thọ An qua hotline: 0982.83.1985 – 0982 466 596.
Mua bu lông S10T ở đâu
Những câu hỏi thường gặp về sản phẩm bu lông tự đứt
Bu lông tự đứt có thể tái sử dụng không
Bu lông tự đứt là loại bu lông chỉ sử dụng một lần. Sau khi siết chặt đến lực mô-men xoắn yêu cầu, phần đầu bu lông sẽ tự tách rời, điều này khiến cho bu lông không còn đủ điều kiện để tái sử dụng trong lần thi công tiếp theo.
Có cần thiết bị đặc biệt nào để lắp đặt bu lông tự đứt không?
Việc lắp đặt bu lông tự đứt yêu cầu sử dụng thiết bị chuyên dụng, cụ thể là máy siết bu lông hoặc máy siết lực mô-men xoắn có đầu chụp phù hợp. Những thiết bị này không chỉ giúp quá trình siết bu lông diễn ra nhanh chóng, chính xác mà còn đảm bảo đúng lực siết theo tiêu chuẩn kỹ thuật quy định trong tiêu chuẩn JIS B1186 hoặc ASTM A325.
Bu lông tự đứt có phù hợp cho mọi loại công trình không?
Bu lông tự đứt được thiết kế để ứng dụng trong các công trình yêu cầu liên kết chịu lực cao và độ an toàn tuyệt đối, đặc biệt trong kết cấu thép nhà xưởng, nhà công nghiệp, nhà thép tiền chế, cầu đường, nhà cao tầng và kết cấu công nghiệp nặng. Tuy nhiên, đối với những công trình dân dụng quy mô nhỏ hoặc các liên kết không chịu lực lớn, việc sử dụng bu lông tự đứt có thể không kinh tế, do chi phí vật tư và thiết bị chuyên dụng khá cao.
Quý khách hàng có nhu cầu đặt mua bu lông vui lòng liên hệ:
CÔNG TY TNHH PHÁT TRIỂN THƯƠNG MẠI THỌ AN
Hotline/Zalo: 0982.83.1985 – 0982 466 596
Email: bulongthoan2013@gmail.com
Website:www.bulongthoan.com.vn
Công ty Thọ An chuyên sản xuất, nhập khẩu và phân phối các sản phẩm bu lông chính hãng như:





